Válvula rotativa en de 250 x 250 mm con variador mecánico de RPM y sensor de rotación
Válvula rotativa esclusa en inox 316 alimenticio con variador 4-24 rpm, brida 250x250 mm, 1.5 HP. Caudal 3-20 m³/h. Sellos y sensor incluidos.
Vista general del producto
SKU: VLR0006WRV023U10000
Válvula rotativa esclusa en acero al carbono, brida 150x150 mm, 30 rpm, 0.75 HP. Caudal 4 m³/h. Compacta y económica para polvos y granulados secos.
Válvula rotativa compacta con carcasa y rotor en acero al carbono, rotor de 180 mm de diámetro y 8 álabes rectos. A 2 litros por revolución y 30 rpm nominales alcanza 4 m³/h, dimensionada para dosificación de precisión bajo silos pequeños, alimentación de balanzas de caudal bajo y salida de filtros de mangas compactos.
Es la unidad más pequeña de la familia y la opción económica para líneas modulares o laboratorios piloto. El motorreductor de 0.75 HP a 460 V 60 Hz con reductor de tornillo sin fin mantiene las 30 rpm sin variador y la pintura exterior RAL 7001 estándar protege en ambientes industriales. Consume menos del 50% de la energía de una RV-05 y ocupa aproximadamente el 40% del volumen.
A 30 rpm el material cae en 8 pulsos por vuelta, ideal para dosificación gravimétrica precisa y líneas de laboratorio o plantas piloto. Con llenado típico del 80% el caudal efectivo ronda 3.2 m³/h, suficiente para pigmentos, catalizadores, aditivos, cemento en pruebas, sílice fina y fertilizantes en pequeñas dosis a temperaturas de -20 a 60 °C.
Configuración estándar sin sellos de aire ni sensor de rotación. Para procesos con productos alimenticios o farmacéuticos elegir la versión en inox 304 grado alimenticio (VLR0006WRV023U20B00). Para caudales superiores a 4 m³/h el modelo inmediato superior es la RV-05 con brida 200x200 mm y capacidad hasta 10 m³/h.
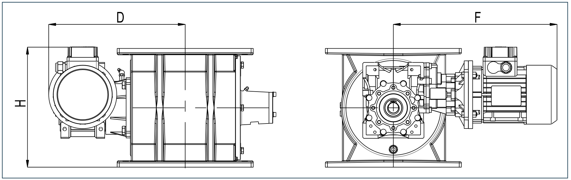
| 1 | Cuerpo válvula |
| 2 | Rotor |
| 3 | Árbol |
| 4 | Cubierta |
| 5 | Reductor |
| 6 | Motor |
| RPM | 30 |
| Motor | 0.75 HP 460V 60 Hz |
| Rotor | Acero al carbono |
| Cuerpo | Acero al carbono |
| Acabado | RAL 7001 |
| Alveolos | Rectos |
| Capacidad | 2 l por RPM |
| Boca de entrada | 150 x 150 mm |
| Capacidad máxima | hasta 4 m³/h |
| Diámetro del rotor | 180 mm |
| Número de alveolos | 8 |
| Temperatura de trabajo | -20ºC a 60ºC |
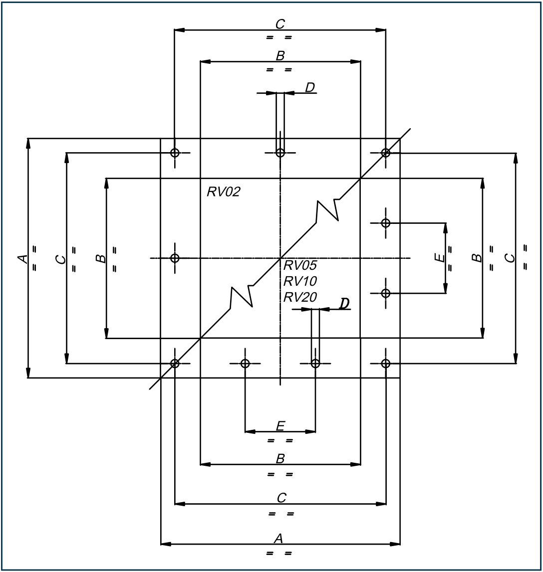
| D | 300 mm |
| F | 400 mm |
| H (RV) | 260 mm |
| H (RVR) | 280 mm |
| A | 265 mm |
| B | 150 mm |
| C | 230 mm |
| D | 12.5 mm |
Para dosificación de precisión en líneas de laboratorio, plantas piloto, silos pequeños y salida de filtros compactos donde el caudal requerido no supera 4 m³/h. Su tamaño reducido permite integrarla en skids y líneas modulares.
2 l/rev × 30 rpm = 4 m³/h teórico. Con llenado típico del 80% el caudal efectivo ronda 3.2 m³/h. Es suficiente para dosificación gravimétrica precisa.
Cuando el caudal es bajo (< 4 m³/h) o el espacio es limitado. La RV-02 ocupa el 40% del volumen de una RV-05 y consume la mitad de energía, ventaja decisiva en skids, laboratorios y plantas piloto.
No en esta configuración de acero al carbono. Para contacto con alimentos o productos farmacéuticos elegir la versión en inox 304 grado alimenticio (VLR0006WRV023U20B00).
No los incluye. Para procesos con polvos muy finos o con requisito de aislamiento hermético consultar versiones especiales de la familia con sellos purgados.
De -20 °C a 60 °C. Adecuada para salida de colectores tibios, ciclones y procesos con calor moderado.
Válvula rotativa esclusa en inox 316 alimenticio con variador 4-24 rpm, brida 250x250 mm, 1.5 HP. Caudal 3-20 m³/h. Sellos y sensor incluidos.
Válvula rotativa esclusa en inox AISI 316 grado alimenticio, brida 200x200 mm, 30 rpm, 1 HP. Caudal 10 m³/h. Apta para alimentos y farma.
Válvula rotativa esclusa 250x250 mm con variador mecánico 4-22 rpm para material granular. Caudal 3-14 m³/h. Motor 1 HP. Sellos de aire y sensor de rotación.
Válvula rotativa esclusa 300x300 mm en fundición de acero, 30 rpm, 2 HP. Caudal 35 m³/h. Versión de gran capacidad para líneas de producción masiva.