Válvula rotativa de 200 x 200 mm a 30 rpm
Válvula rotativa fabricada en INOX 316 grado alimenticio para un caudal de hasta 10 m3/h.
SKU: VLR0004
Válvula rotativa fabricada en fundición de acero para un caudal de hasta 35 m3/h.
La válvula consiste en una carcasa de fundición de hierro y un motorreductor. Los álabes están fabricados en forma recta.
La válvula rotativa ha sido diseñada con el criterio de máxima versatilidad de aplicación. Es adecuada para la alimentación controlada o descarga de material en polvo o granulado proveniente de silos, tolvas, sistemas de transporte neumático, colectores de polvo o ciclones.
| 1 | Cuerpo válvula |
| 2 | Rotor |
| 3 | Árbol |
| 4 | Cubierta |
| 5 | Reductor |
| 6 | Motor |
| RPM | 30 |
| Motor | 2 HP 460V 60 Hz |
| Rotor | Fundición de Acero |
| Cuerpo | Fundición de Acero |
| Acabado | RAL 7001 |
| Alveolos | Rectos |
| Capacidad | 19.5 l por RPM |
| Boca de entrada | 300 x 300 mm |
| Capacidad máxima | hasta 35 m³/h |
| Diámetro del rotor | 338 mm |
| Número de alveolos | 8 |
| Temperatura de trabajo | -20ºC a 60ºC |
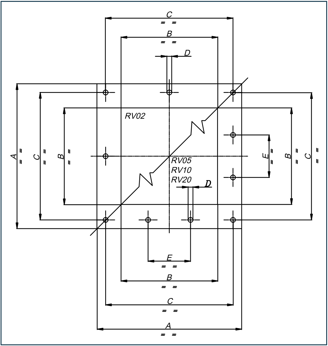
| D | 410 mm |
| F | 460 mm |
| H | 410 mm |
| A | 440 mm |
| B | 300 mm |
| C | 385 mm |
| D | 12.5 mm |
Válvula rotativa fabricada en INOX 316 grado alimenticio para un caudal de hasta 10 m3/h.
Válvula rotativa fabricada en fundición de acero especial para material granular con variador de RPMs mecánico
Válvula rotativa fabricada en fundición de acero con acabado en cromo, con sellos purgados y labios en vulkolan para un caudal de 20 m3/h.
Válvula rotativa 30L a 30 rpm en acero al carbono