Percutor neumático de impacto 153 J 222.8 kg
Percutor neumático de impacto único. Energía: 153.0 J, fuerza: 222.8 kg a 6 bar. Resuelve atascos en silos y tolvas. Certificación ATEX disponible.
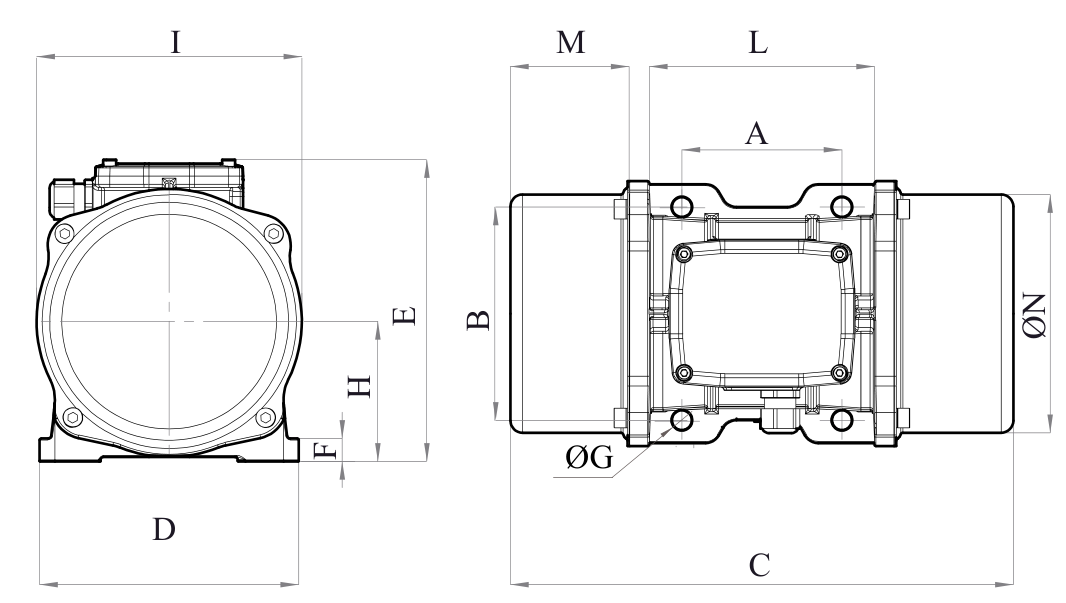
Vista general del producto
SKU: VIF0004MVE440
Vibrador eléctrico trifásico 230/460 V, 0.24 HP, 3600 RPM. Fuerza centrífuga: 189 kg. Rodamientos de por vida. Certificación ATEX/IP66.
| Tipo | 3 PH - 2 polos |
| Ia/In | 3.5 |
| Corriente | Δ 0.6 / Y 0.3 A |
| Velocidad | 3600 RPM |
| Frecuencia | 60 Hz |
| Voltaje nominal | 230/460 V |
| Factor de potencia | 0.75 |
| Potencia de entrada | 0.24 HP |
| Desbalance | 1.31 kg·cm |
| Peso del equipo | 7.00 kg |
| Fuerza centrífuga | 189 kg |
| Momento de trabajo | 2.62 kg·cm |
| Arandela | 8.74 x 17.48 mm |
| Tornillo | 5/16" |
| Prensaestopas | M20 80°C |
| Tipo de cable | 13-4c 80°C |
| Torque de apriete | 22.98 N·m |
| Engrasado de por vida | Sí |
| Tipo | Indicado con símbolo |
| 50% C.F | 35,657 horas |
| 80% C.F | 8,705 horas |
| 100% C.F | 4,457 horas |
| Modelo de rodamiento | 6302 2Z |
Este producto cuenta con las siguientes certificaciones
| A | 61.98 |
| B | 105.92 |
| C | 232.92 |
| D | 130.05 |
| E | 153.92 |
| F | 14.99 |
| G | 8.89 |
| H | 65.02 |
| I | 124.97 |
| L | 119.89 |
| M | 54.10 |
| N | 112.01 |
| Número de orificios | 4 |
Este vibrador opera a 3600 RPM (2 polos), lo que genera una vibración de alta frecuencia y baja amplitud. Este tipo de movimiento rápido y fino es ideal para cribado y clasificación de materiales, transporte vibratorio, compactación superficial y facilitar el flujo de materiales granulares secos en tolvas y chutes de descarga.
Con una potencia de 0.24 HP, este vibrador genera una fuerza centrífuga en el rango de 189 a 517 kg, adecuada para tolvas medianas, cribas vibratorias, transportadores vibratorios y chutes de descarga en líneas de producción.
El vibrador se fija directamente a la estructura metálica mediante tornillos de alta resistencia. La superficie de montaje debe ser de acero y lo suficientemente rígida para transmitir la vibración. Utilice los tornillos y arandelas especificados en la ficha técnica, respetando el torque de apriete indicado. Monte el vibrador en el punto donde se requiera la máxima vibración, generalmente en la pared lateral o el fondo de la tolva. Verifique el apriete de los tornillos después de las primeras 8 horas de operación y periódicamente después.
Se utilizan en cualquier proceso donde se necesite mover, compactar o facilitar el flujo de materiales sólidos: tolvas y silos (evitar atascos, puentes y arcos de material), cribas y zarandas (clasificación y separación por granulometría), transportadores vibratorios (mover materiales a granel de forma controlada), compactación (moldes de concreto, fundición y empaque de productos), mesas vibratorias (asentamiento y eliminación de burbujas de aire) y alimentadores (dosificación controlada de material hacia cintas, trituradoras o mezcladoras).
La diferencia principal es la alimentación eléctrica requerida. Los trifásicos (230/460 V, 3 PH) requieren instalación eléctrica industrial y ofrecen mayor eficiencia y vida útil; son la opción estándar para plantas industriales. Los monofásicos (115 V, 1 PH) se conectan a una toma eléctrica estándar, siendo prácticos para instalaciones sin suministro trifásico, talleres pequeños o aplicaciones temporales.
Estos vibradores cuentan con rodamientos engrasados de por vida, por lo que no requieren lubricación periódica. El mantenimiento se limita a verificar periódicamente el apriete de los tornillos de montaje, inspeccionar visualmente el cable de alimentación y el prensaestopas, y mantener el vibrador limpio y libre de acumulación de material.
Sí. Estos vibradores cuentan con certificación ATEX (II2 D Ex tb IIIC), IECEx y CLASS II DIV.2 GROUP F,G para ambientes con polvo combustible. El grado de protección IP66 garantiza hermeticidad total contra polvo y chorros de agua, permitiendo su uso en industrias como la alimentaria, farmacéutica, minera y química.
Percutor neumático de impacto único. Energía: 153.0 J, fuerza: 222.8 kg a 6 bar. Resuelve atascos en silos y tolvas. Certificación ATEX disponible.
Vibrador eléctrico DC 24 V, 0.21 HP, 3000 RPM. Fuerza centrífuga: 200 kg. Rodamientos de por vida. Certificación ATEX/IP66.
Vibrador neumático de turbina. Fuerza centrífuga: 526 kg a 6 bar (23000 RPM). Funcionamiento silencioso, sin electricidad. Apto para zonas ATEX.
Vibrador neumático rotativo de bola. Fuerza centrífuga: 321 kg a 6 bar (12500 RPM). Compacto, sin electricidad. Apto para zonas ATEX.