Vibrador Eléctrico 2.41 HP 1200 RPM
Vibrador eléctrico trifásico 230/460 V, 2.41 HP, 1200 RPM. Fuerza centrífuga: 2,000 kg. Rodamientos de por vida. Certificación ATEX/IP66.
Vista general del producto
SKU: VIF0004MVE704E10A0
Vibrador eléctrico trifásico 230/460 V, 0.05 HP, 1800 RPM. Fuerza centrífuga: 36.00 kg. Rodamientos de por vida. Certificación ATEX/IP66.
| Tipo | 3 PH - 4 polos |
| Ia/In | 2.2 |
| Corriente | Δ 0.62 / Y 0.31 A |
| Velocidad | 1800 RPM |
| Frecuencia | 60 Hz |
| Voltaje nominal | 230/460 V |
| Factor de potencia | 0.15 |
| Potencia de entrada | 0.05 HP |
| Desbalance | 0.99 kg·cm |
| Peso del equipo | 4.60 kg |
| Fuerza centrífuga | 36.00 kg |
| Momento de trabajo | 1.97 kg·cm |
| Arandela | 8.74 x 17.48 - 7.14 x 15.88 mm |
| Tornillo | 5/16"-1/4" |
| Prensaestopas | M16 80°C |
| Tipo de cable | 16-4c 80°C |
| Torque de apriete | 22.98 - 8.99 N·m |
| Engrasado de por vida | Sí |
| Tipo | Indicado con símbolo |
| 50% C.F | >100000 horas |
| 80% C.F | >100000 horas |
| 100% C.F | >100000 horas |
| Modelo de rodamiento | 6302 2Z |
Este producto cuenta con las siguientes certificaciones
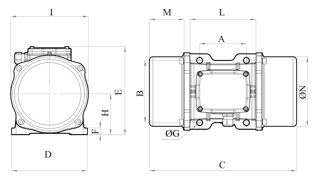
| A | 61.98 |
| B | 105.92 |
| C | 213.11 |
| D | 130.05 |
| E | 134.87 |
| F | 10.41 |
| G | 8.89 |
| H | 50.04 |
| I | 96.01 |
| L | 106.93 |
| M | 44.96 |
| N | 85.09 |
| A1 | 33.02 |
| B1 | 83.06-102.11 |
| G1 | 7.11 |
| Número de orificios | 4 |
Este vibrador opera a 1800 RPM (4 polos), lo que genera una vibración de frecuencia media y amplitud media. Es una velocidad versátil, adecuada para alimentadores vibratorios, tolvas medianas, compactación moderada de moldes y dosificación controlada de materiales. Ofrece un buen balance entre fuerza de impacto y velocidad de vibración.
Con una potencia de 0.05 HP, este vibrador genera una fuerza centrífuga en el rango de 29 a 95 kg, adecuada para pequeñas tolvas de alimentación, mesas vibratorias compactas, alimentadores de bajo volumen y aplicaciones de laboratorio o empaque.
El vibrador se fija directamente a la estructura metálica mediante tornillos de alta resistencia. La superficie de montaje debe ser de acero y lo suficientemente rígida para transmitir la vibración. Utilice los tornillos y arandelas especificados en la ficha técnica, respetando el torque de apriete indicado. Monte el vibrador en el punto donde se requiera la máxima vibración, generalmente en la pared lateral o el fondo de la tolva. Verifique el apriete de los tornillos después de las primeras 8 horas de operación y periódicamente después.
Se utilizan en cualquier proceso donde se necesite mover, compactar o facilitar el flujo de materiales sólidos: tolvas y silos (evitar atascos, puentes y arcos de material), cribas y zarandas (clasificación y separación por granulometría), transportadores vibratorios (mover materiales a granel de forma controlada), compactación (moldes de concreto, fundición y empaque de productos), mesas vibratorias (asentamiento y eliminación de burbujas de aire) y alimentadores (dosificación controlada de material hacia cintas, trituradoras o mezcladoras).
La diferencia principal es la alimentación eléctrica requerida. Los trifásicos (230/460 V, 3 PH) requieren instalación eléctrica industrial y ofrecen mayor eficiencia y vida útil; son la opción estándar para plantas industriales. Los monofásicos (115 V, 1 PH) se conectan a una toma eléctrica estándar, siendo prácticos para instalaciones sin suministro trifásico, talleres pequeños o aplicaciones temporales.
Estos vibradores cuentan con rodamientos engrasados de por vida, por lo que no requieren lubricación periódica. El mantenimiento se limita a verificar periódicamente el apriete de los tornillos de montaje, inspeccionar visualmente el cable de alimentación y el prensaestopas, y mantener el vibrador limpio y libre de acumulación de material.
Sí. Estos vibradores cuentan con certificación ATEX (II2 D Ex tb IIIC), IECEx y CLASS II DIV.2 GROUP F,G para ambientes con polvo combustible. El grado de protección IP66 garantiza hermeticidad total contra polvo y chorros de agua, permitiendo su uso en industrias como la alimentaria, farmacéutica, minera y química.
Vibrador eléctrico trifásico 230/460 V, 2.41 HP, 1200 RPM. Fuerza centrífuga: 2,000 kg. Rodamientos de por vida. Certificación ATEX/IP66.
Vibrador eléctrico trifásico 230/460 V, 0.11 HP, 1800 RPM. Fuerza centrífuga: 76.00 kg. Rodamientos de por vida. Certificación ATEX/IP66.
Vibrador eléctrico trifásico 230/460 V, 2.15 HP, 3600 RPM. Fuerza centrífuga: 1,608 kg. Rodamientos de por vida. Certificación ATEX/IP66.
Vibrador neumático de turbina. Fuerza centrífuga: 252 kg a 6 bar (38000 RPM). Funcionamiento silencioso, sin electricidad. Apto para zonas ATEX.