Vibrador neumático lineal de impacto 1396 N (142 kgf)
Vibrador neumático lineal de impacto. Fuerza 1396 N (142 kgf) a 6 bar. Ciclo continuo, 2800 VPM, 4.5 kg. ATEX opcional. Cuerpo de hierro fundido.
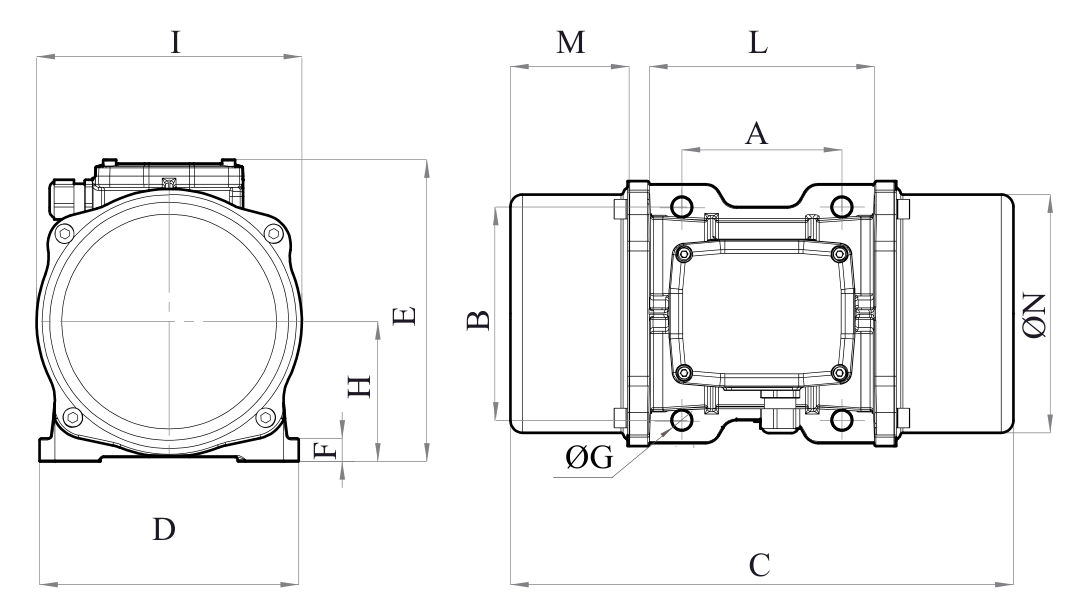
Vista general del producto
SKU: VIF0036MVE2003N23A024V
Vibrador eléctrico DC 24 V, 0.21 HP, 3000 RPM. Fuerza centrífuga: 200 kg. Rodamientos de por vida. Certificación ATEX/IP66.
| Tipo | DC - 2 polos |
| Ia/In | 4 |
| Corriente | 6.7 A |
| Velocidad | 3000 RPM |
| Voltaje nominal | 24 V (DC) |
| Potencia de entrada | 0.21 HP |
| Desbalance | 2.09 kg·cm |
| Peso del equipo | 6.5 kg |
| Fuerza centrífuga | 200 kg |
| Momento de trabajo | 4.17 kg·cm |
| Arandela | 8.4 x 16 - 10.5 x 20 - 13 x 24 mm |
| Tornillo | M8-M10-M12 |
| Prensaestopas | M16 80°C |
| Tipo de cable | 261.5 90° |
| Torque de apriete | 23-45-80 N·m |
| Engrasado de por vida | Sí |
| Tipo | Indicado con símbolo |
| 50% C.F | 30139 horas |
| 80% C.F | 6469 horas |
| 100% C.F | 3732 horas |
| Modelo de rodamiento | 6301-6302 2Z |
Este producto cuenta con las siguientes certificaciones
| A | 62-74 |
| B | 106.0 |
| C | 218.0 |
| D | 164.0 |
| E | 140.0 |
| F | 25.0 |
| G | 9.0 |
| H | 82.0 |
| I | 116.0 |
| L | 159.0 |
| M | 53.0 |
| N | 110.0 |
| A1 | 65.0 |
| A2 | 115.0 |
| A3 | 135.0 |
| B1 | 140.0 |
| B2 | 135.0 |
| B3 | 115.0 |
| G1 | 13.0 |
| G2 | 11.0 |
| Número de orificios | 4 |
Este vibrador opera a 3000 RPM (2 polos DC), lo que genera una vibración de frecuencia media-alta. Al ser alimentado por corriente directa de 24 V, es especialmente adecuado para aplicaciones móviles, equipos alimentados por batería, o instalaciones donde no se dispone de corriente alterna convencional.
Con una potencia de 0.21 HP, este vibrador genera una fuerza centrífuga en el rango de 189 a 517 kg, adecuada para tolvas medianas, cribas vibratorias, transportadores vibratorios y chutes de descarga en líneas de producción.
El vibrador se fija directamente a la estructura metálica mediante tornillos de alta resistencia. La superficie de montaje debe ser de acero y lo suficientemente rígida para transmitir la vibración. Utilice los tornillos y arandelas especificados en la ficha técnica, respetando el torque de apriete indicado. Monte el vibrador en el punto donde se requiera la máxima vibración, generalmente en la pared lateral o el fondo de la tolva. Verifique el apriete de los tornillos después de las primeras 8 horas de operación y periódicamente después.
Se utilizan en cualquier proceso donde se necesite mover, compactar o facilitar el flujo de materiales sólidos: tolvas y silos (evitar atascos, puentes y arcos de material), cribas y zarandas (clasificación y separación por granulometría), transportadores vibratorios (mover materiales a granel de forma controlada), compactación (moldes de concreto, fundición y empaque de productos), mesas vibratorias (asentamiento y eliminación de burbujas de aire) y alimentadores (dosificación controlada de material hacia cintas, trituradoras o mezcladoras).
La diferencia principal es la alimentación eléctrica requerida. Los trifásicos (230/460 V, 3 PH) requieren instalación eléctrica industrial y ofrecen mayor eficiencia y vida útil; son la opción estándar para plantas industriales. Los monofásicos (115 V, 1 PH) se conectan a una toma eléctrica estándar, siendo prácticos para instalaciones sin suministro trifásico, talleres pequeños o aplicaciones temporales.
Estos vibradores cuentan con rodamientos engrasados de por vida, por lo que no requieren lubricación periódica. El mantenimiento se limita a verificar periódicamente el apriete de los tornillos de montaje, inspeccionar visualmente el cable de alimentación y el prensaestopas, y mantener el vibrador limpio y libre de acumulación de material.
Sí. Estos vibradores cuentan con certificación ATEX (II2 D Ex tb IIIC), IECEx y CLASS II DIV.2 GROUP F,G para ambientes con polvo combustible. El grado de protección IP66 garantiza hermeticidad total contra polvo y chorros de agua, permitiendo su uso en industrias como la alimentaria, farmacéutica, minera y química.
Vibrador neumático lineal de impacto. Fuerza 1396 N (142 kgf) a 6 bar. Ciclo continuo, 2800 VPM, 4.5 kg. ATEX opcional. Cuerpo de hierro fundido.
Vibrador neumático de rodillo. Fuerza centrífuga: 624 kg a 6 bar (21500 RPM). Movimiento epicicloidal, bajo consumo de aire. Apto para zonas ATEX.
Vibrador eléctrico monofásico 115 V, 0.08 HP, 3600 RPM. Fuerza centrífuga: 65 kg. Rodamientos de por vida. Certificación ATEX/IP66.
Vibrador neumático rotativo de bola. Fuerza centrífuga: 110 kg a 6 bar (19500 RPM). Compacto, sin electricidad. Apto para zonas ATEX.