Vibrador neumático rotativo de bola de 172 kg fuerza
Vibrador neumático rotativo de bola. Fuerza centrífuga: 172 kg a 6 bar (16500 RPM). Compacto, sin electricidad. Apto para zonas ATEX.
Vista general del producto
SKU: VIF0004MVE8902E30A0
Vibrador eléctrico trifásico 230/460 V, 0.44 HP, 3600 RPM. Fuerza centrífuga: 411 kg. Rodamientos de por vida. Certificación ATEX/IP66.
| Tipo | 3 PH - 2 polos |
| Ia/In | 3.7 |
| Corriente | Δ 1.2 / Y 0.6 A |
| Velocidad | 3600 RPM |
| Frecuencia | 60 Hz |
| Voltaje nominal | 230/460 V |
| Factor de potencia | 0.69 |
| Potencia de entrada | 0.44 HP |
| Desbalance | 2.85 kg·cm |
| Peso del equipo | 10.30 kg |
| Fuerza centrífuga | 411 kg |
| Momento de trabajo | 5.68 kg·cm |
| Arandela | 10.31 x 20.62 - 13.49 x 26.97 mm |
| Prensaestopas | M20 80°C |
| Tipo de cable | 13-4c 80°C |
| Torque de apriete | 44.97 - 79.94 N·m |
| Engrasado de por vida | Sí |
| Tipo | Indicado con símbolo |
| 50% C.F | 9,756 horas |
| 80% C.F | 2,382 horas |
| 100% C.F | 1,220 horas |
| Modelo de rodamiento | 6304 2Z |
Este producto cuenta con las siguientes certificaciones
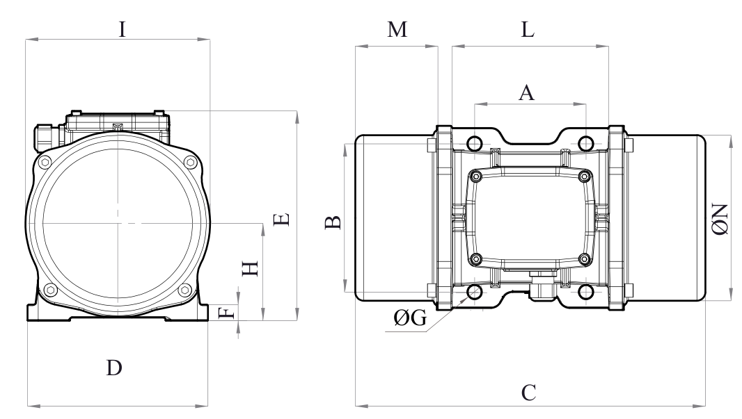
| A | 80.01 |
| B | 109.98 |
| C | 274.07 |
| D | 150.11 |
| E | 172.97 |
| F | 14.99 |
| G | 10.92 |
| H | 78.99 |
| I | 150.11 |
| L | 166.12 |
| M | 52.07 |
| N | 134.11 |
| A1 | 123.95-134.87 |
| B1 | 109.98-115.06 |
| G1 | 12.95 |
| Número de orificios | 4 |
Este vibrador opera a 3600 RPM (2 polos), lo que genera una vibración de alta frecuencia y baja amplitud. Este tipo de movimiento rápido y fino es ideal para cribado y clasificación de materiales, transporte vibratorio, compactación superficial y facilitar el flujo de materiales granulares secos en tolvas y chutes de descarga.
Con una potencia de 0.44 HP, este vibrador genera una fuerza centrífuga en el rango de 189 a 517 kg, adecuada para tolvas medianas, cribas vibratorias, transportadores vibratorios y chutes de descarga en líneas de producción.
El vibrador se fija directamente a la estructura metálica mediante tornillos de alta resistencia. La superficie de montaje debe ser de acero y lo suficientemente rígida para transmitir la vibración. Utilice los tornillos y arandelas especificados en la ficha técnica, respetando el torque de apriete indicado. Monte el vibrador en el punto donde se requiera la máxima vibración, generalmente en la pared lateral o el fondo de la tolva. Verifique el apriete de los tornillos después de las primeras 8 horas de operación y periódicamente después.
Se utilizan en cualquier proceso donde se necesite mover, compactar o facilitar el flujo de materiales sólidos: tolvas y silos (evitar atascos, puentes y arcos de material), cribas y zarandas (clasificación y separación por granulometría), transportadores vibratorios (mover materiales a granel de forma controlada), compactación (moldes de concreto, fundición y empaque de productos), mesas vibratorias (asentamiento y eliminación de burbujas de aire) y alimentadores (dosificación controlada de material hacia cintas, trituradoras o mezcladoras).
La diferencia principal es la alimentación eléctrica requerida. Los trifásicos (230/460 V, 3 PH) requieren instalación eléctrica industrial y ofrecen mayor eficiencia y vida útil; son la opción estándar para plantas industriales. Los monofásicos (115 V, 1 PH) se conectan a una toma eléctrica estándar, siendo prácticos para instalaciones sin suministro trifásico, talleres pequeños o aplicaciones temporales.
Estos vibradores cuentan con rodamientos engrasados de por vida, por lo que no requieren lubricación periódica. El mantenimiento se limita a verificar periódicamente el apriete de los tornillos de montaje, inspeccionar visualmente el cable de alimentación y el prensaestopas, y mantener el vibrador limpio y libre de acumulación de material.
Sí. Estos vibradores cuentan con certificación ATEX (II2 D Ex tb IIIC), IECEx y CLASS II DIV.2 GROUP F,G para ambientes con polvo combustible. El grado de protección IP66 garantiza hermeticidad total contra polvo y chorros de agua, permitiendo su uso en industrias como la alimentaria, farmacéutica, minera y química.
Vibrador neumático rotativo de bola. Fuerza centrífuga: 172 kg a 6 bar (16500 RPM). Compacto, sin electricidad. Apto para zonas ATEX.
Vibrador eléctrico monofásico 115/230 V, 0.38 HP, 3600 RPM. Fuerza centrífuga: 323 kg. Rodamientos de por vida. Certificación ATEX/IP66.
Vibrador eléctrico trifásico 230/460 V, 2.52 HP, 1800 RPM. Fuerza centrífuga: 2,485 kg. Rodamientos de por vida. Certificación ATEX/IP66.
Vibrador eléctrico trifásico 230/460 V, 0.54 HP, 1800 RPM. Fuerza centrífuga: 508 kg. Rodamientos de por vida. Certificación ATEX/IP66.