Vibrador neumático de turbina de 508 kg fuerza
Vibrador neumático de turbina. Fuerza centrífuga: 508 kg a 6 bar (17000 RPM). Funcionamiento silencioso, sin electricidad. Apto para zonas ATEX.
Vista general del producto
SKU: VIF0004MVE11506
Vibrador eléctrico trifásico 230/460 V, 0.54 HP, 1200 RPM. Fuerza centrífuga: 517 kg. Rodamientos de por vida. Certificación ATEX/IP66.
| Tipo | 3 PH - 6 polos |
| Ia/In | 2.9 |
| Corriente | Δ 2.3 / Y 1.15 A |
| Velocidad | 1200 RPM |
| Frecuencia | 60 Hz |
| Voltaje nominal | 230/460 V |
| Factor de potencia | 0.44 |
| Potencia de entrada | 0.54 HP |
| Desbalance | 32.17 kg·cm |
| Peso del equipo | 33.70 kg |
| Fuerza centrífuga | 517 kg |
| Momento de trabajo | 64.32 kg·cm |
| Arandela | 16.66 x 33.32 mm |
| Tornillo | 5/8" |
| Tipo de cable | 16-4c 120°C |
| Torque de apriete | 184.87 N·m |
| Engrasado de por vida | Sí |
| Tipo | Indicado con símbolo |
| 50% C.F | 82,325 horas |
| 80% C.F | 20,099 horas |
| 100% C.F | 10,291 horas |
| Modelo de rodamiento | 6306 2Z |
Este producto cuenta con las siguientes certificaciones
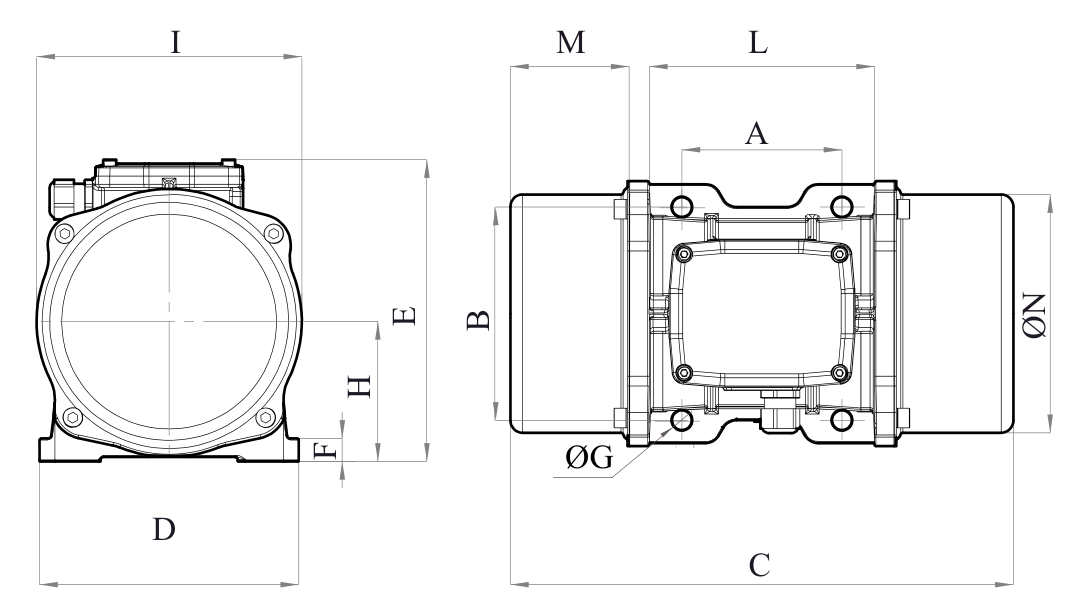
| A | 119.89 |
| B | 169.93 |
| C | 454.91 |
| D | 208.03 |
| E | 210.06 |
| F | 22.10 |
| G | 17.02 |
| H | 96.01 |
| I | 184.91 |
| L | 192.02 |
| M | 129.03 |
| N | 169.93 |
| Número de orificios | 4 |
Este vibrador opera a 1200 RPM (6 polos), lo que genera una vibración de baja frecuencia y alta amplitud. Este movimiento lento pero potente es ideal para desatascamiento de tolvas y silos, compactación pesada, y manejo de materiales húmedos o cohesivos que tienden a formar puentes o arcos.
Con una potencia de 0.54 HP, este vibrador genera una fuerza centrífuga en el rango de 189 a 517 kg, adecuada para tolvas medianas, cribas vibratorias, transportadores vibratorios y chutes de descarga en líneas de producción.
El vibrador se fija directamente a la estructura metálica mediante tornillos de alta resistencia. La superficie de montaje debe ser de acero y lo suficientemente rígida para transmitir la vibración. Utilice los tornillos y arandelas especificados en la ficha técnica, respetando el torque de apriete indicado. Monte el vibrador en el punto donde se requiera la máxima vibración, generalmente en la pared lateral o el fondo de la tolva. Verifique el apriete de los tornillos después de las primeras 8 horas de operación y periódicamente después.
Se utilizan en cualquier proceso donde se necesite mover, compactar o facilitar el flujo de materiales sólidos: tolvas y silos (evitar atascos, puentes y arcos de material), cribas y zarandas (clasificación y separación por granulometría), transportadores vibratorios (mover materiales a granel de forma controlada), compactación (moldes de concreto, fundición y empaque de productos), mesas vibratorias (asentamiento y eliminación de burbujas de aire) y alimentadores (dosificación controlada de material hacia cintas, trituradoras o mezcladoras).
La diferencia principal es la alimentación eléctrica requerida. Los trifásicos (230/460 V, 3 PH) requieren instalación eléctrica industrial y ofrecen mayor eficiencia y vida útil; son la opción estándar para plantas industriales. Los monofásicos (115 V, 1 PH) se conectan a una toma eléctrica estándar, siendo prácticos para instalaciones sin suministro trifásico, talleres pequeños o aplicaciones temporales.
Estos vibradores cuentan con rodamientos engrasados de por vida, por lo que no requieren lubricación periódica. El mantenimiento se limita a verificar periódicamente el apriete de los tornillos de montaje, inspeccionar visualmente el cable de alimentación y el prensaestopas, y mantener el vibrador limpio y libre de acumulación de material.
Sí. Estos vibradores cuentan con certificación ATEX (II2 D Ex tb IIIC), IECEx y CLASS II DIV.2 GROUP F,G para ambientes con polvo combustible. El grado de protección IP66 garantiza hermeticidad total contra polvo y chorros de agua, permitiendo su uso en industrias como la alimentaria, farmacéutica, minera y química.
Vibrador neumático de turbina. Fuerza centrífuga: 508 kg a 6 bar (17000 RPM). Funcionamiento silencioso, sin electricidad. Apto para zonas ATEX.
Placa de fluidificación porosa para descarga continua de polvos finos en silos y tolvas. 30 l/min, presión 0.8–6 bar, cuerpo de poliamida.
Percutor neumático de impacto único. Energía: 18.1 J, fuerza: 43.7 kg a 6 bar. Resuelve atascos en silos y tolvas. Certificación ATEX disponible.
Vibrador eléctrico trifásico 230/460 V, 0.11 HP, 1800 RPM. Fuerza centrífuga: 76.00 kg. Rodamientos de por vida. Certificación ATEX/IP66.