Válvula rotativa de 250 x 250 mm a 30 rpm en inox 304 con certificación antiexplosiva
Válvula rotativa esclusa en inox 304, brida 250x250 mm, 30 rpm, 1.1 kW. Caudal 19.6 m³/h. Sellos de aire, sensor de rotación y certificación ATEX II 1-3D.
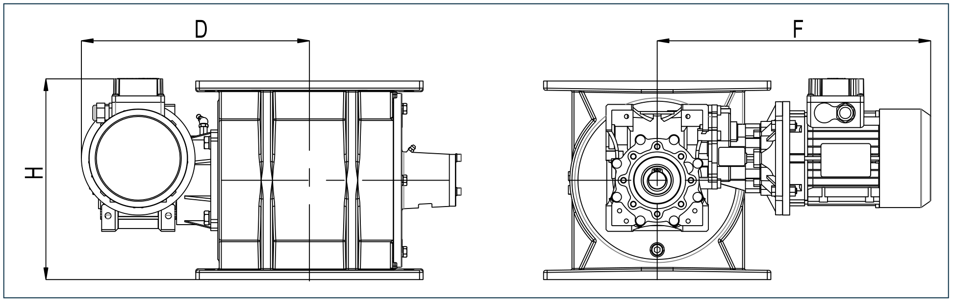
Vista general del producto
SKU: VLR0006WRV023U20B00
Válvula rotativa esclusa en inox 304 grado alimenticio, brida 150x150 mm, 30 rpm, 0.55 kW. Caudal 4 m³/h. Compacta apta para alimentos, farma y químicos suaves.
Válvula rotativa compacta construida íntegramente en acero inoxidable 304 grado alimenticio —cuerpo, rotor y cubierta— con 8 álabes rectos soldados y rotor de 180 mm de diámetro. A 2 litros por revolución y 30 rpm nominales alcanza 4 m³/h, la menor capacidad dentro de la familia RV en inox, pensada para dosificación higiénica en laboratorios, plantas piloto y líneas de producto terminado con caudales bajos.
El inox 304 grado alimenticio cumple con los requisitos de contacto directo con alimentos, productos farmacéuticos y químicos suaves. Motorreductor de 0.55 kW (0.75 HP) a 460 V 60 Hz con transmisión directa por tornillo sin fin y acabado interior liso que minimiza la retención de producto y admite limpieza CIP con soluciones cáusticas o ácidas suaves.
A 30 rpm la dosificación es regular y repetible, compatible con balanzas gravimétricas de precisión en líneas de cosmética, nutracéutica, farmacia o mezclas de reactivos. Con llenado típico del 80% el caudal efectivo ronda 3.2 m³/h, ideal para azúcar, excipientes farmacéuticos, harinas especiales, premezclas, pigmentos alimenticios o cultivos lácteos en producción continua.
Es la opción más compacta con certificación de higiene dentro de la familia. Si se requiere mayor caudal en inox existen las versiones RV-05 (200x200 mm, hasta 10 m³/h) o RV-10 (250x250 mm, hasta 20 m³/h). Para cloruros o CIP cáustico severo elegir la variante en inox 316 (VLR0006WRV053U50BBC).
| 1 | Cuerpo válvula |
| 2 | Rotor |
| 3 | Árbol |
| 4 | Cubierta |
| 5 | Reductor |
| 6 | Motor |
| RPM | 30 |
| Motor | 0.55 kW (0.75 HP) 460V 60 Hz |
| Rotor | Acero INOX 304 soldado. Grado alimenticio |
| Cuerpo | Acero INOX 304. Grado alimenticio |
| Alveolos | Rectos |
| Cubierta | Acero INOX 304. Grado alimenticio |
| Capacidad | 2 l por RPM |
| Transmisión | Directa con reductor de tornillo sin fin |
| Boca de salida | 150 x 150 mm |
| Boca de entrada | 150 x 150 mm |
| Capacidad máxima | hasta 4 m³/h |
| Diámetro del rotor | 180 mm |
| Número de alveolos | 8 |
| Temperatura de trabajo | -20ºC a 60ºC |
Las válvulas rotativas con sellos de aire soplado mantienen el material mediante contrapresión. Tubo de entrada de aire Ø 8 mm. Los sellos NO DEBEN ser engrasados. Soplado con flujo continuo a 0.2 - 0.4 bar.
Sensor electromagnético M18 para el monitoreo de la rotación de la válvula rotativa. Voltaje de operación: 20-250V AC/DC 45-65Hz. Tipo de salida: normalmente abierto (NA). Corriente nominal: 350mA AC / 100mA DC. Sensibilidad: 5 mm. Grado de protección: IP67.
| D | 300 mm |
| F | 400 mm |
| H (RV) | 260 mm |
| H (RVR) | 280 mm |
| Peso aproximado | 50 kg |
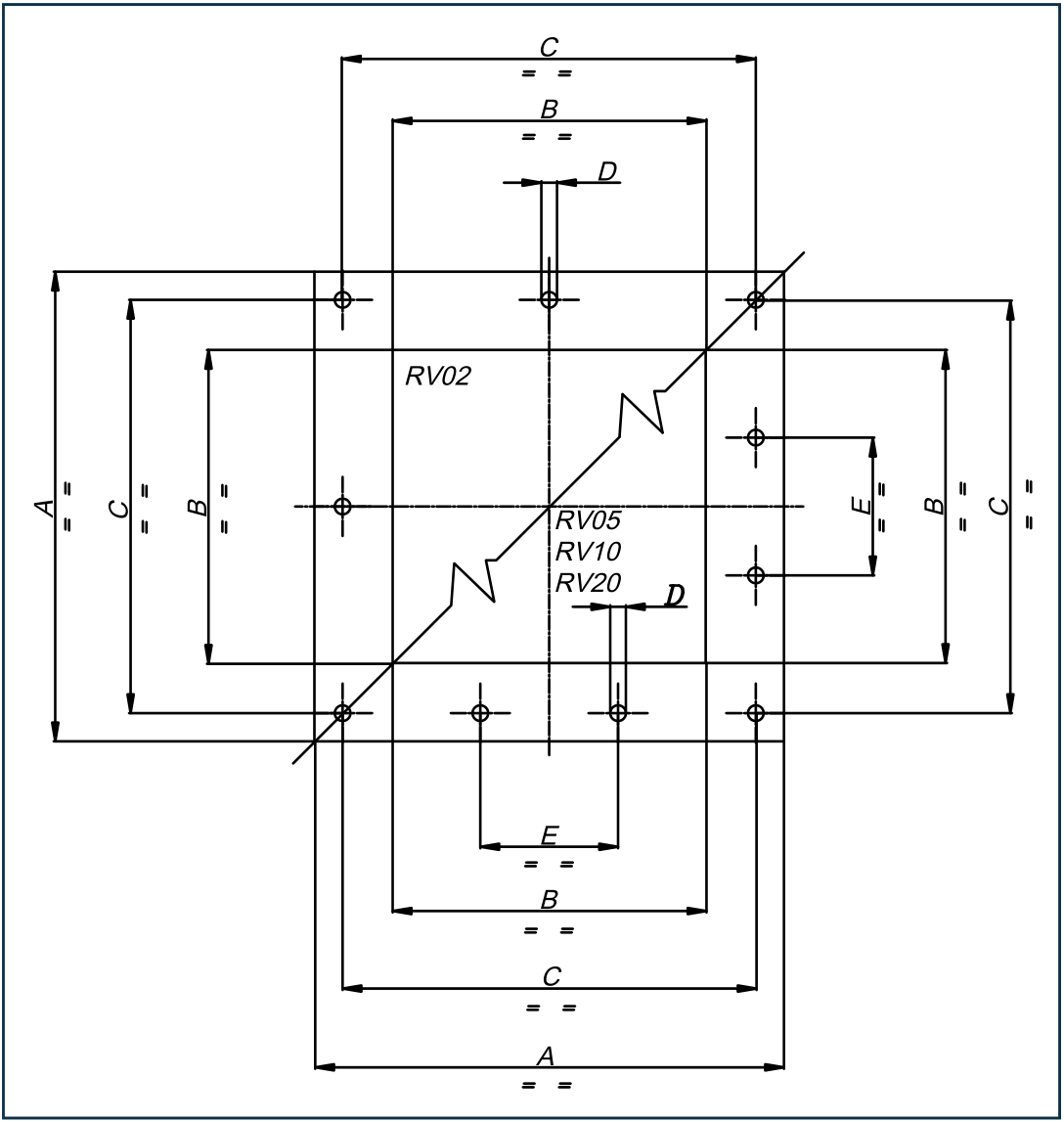
| A | 265 mm |
| B | 150 mm |
| C | 230 mm |
| D | 12.5 mm |
Para dosificación higiénica compacta en líneas de alimentos, farmacia, cosmética, nutracéutica, premezclas y laboratorios de R&D donde el caudal requerido no supera 4 m³/h y la higiene es crítica.
2 l/rev × 30 rpm = 4 m³/h teórico. Con llenado típico del 80% el caudal efectivo ronda 3.2 m³/h. Es la menor capacidad en inox de la familia RV.
Cuando el material dosificado es un alimento, producto farmacéutico o cosmético donde la normativa exige inox 304 o superior. La versión en acero al carbono (VLR0006WRV023U10000) es más económica pero no apta para contacto alimentario.
Sí. El acabado liso interior admite soluciones CIP con cáusticos y ácidos suaves sin degradación. Para CIP agresivo con cloruros frecuentes elegir la versión en inox 316 grado alimenticio.
El inox 304 resiste cloruros moderados y humedad. Para procesos con salmueras, sal concentrada o CIP con hipoclorito recurrente elegir la versión equivalente en inox 316 (VLR0006WRV053U50BBC en RV-05).
Lubricación del reductor cada 2000 horas con aceite apto para industria alimentaria (grado H1 NSF). Limpieza interior según programa CIP del proceso. El rotor en inox 304 no requiere engrase.
Válvula rotativa esclusa en inox 304, brida 250x250 mm, 30 rpm, 1.1 kW. Caudal 19.6 m³/h. Sellos de aire, sensor de rotación y certificación ATEX II 1-3D.
Válvula rotativa esclusa 250x250 mm con variador mecánico 4-22 rpm para material granular. Caudal 3-14 m³/h. Motor 1 HP. Sellos de aire y sensor de rotación.
Válvula rotativa esclusa 150x150 mm con variador electrónico 0-30 rpm y adaptador para gránulos hasta 5 mm. Caudal 0-4 m³/h. Motor 0.5 HP.
Válvula rotativa esclusa en fundición de acero, brida 200x200 mm, 30 rpm, 1 HP. Caudal 10 m³/h. Versión estándar para polvos y granulados secos.