Válvula rotativa de 200 x 200 mm con variador de RPM
Válvula rotativa fabricada en fundición de acero especial para material granular con variador de RPMs mecánico.
Vista general del producto
SKU: VLR0006WRV053U50BBC
Válvula rotativa fabricada en INOX 316 grado alimenticio para un caudal de hasta 10 m3/h.
La válvula consiste en una carcasa de fundición de hierro y un motorreductor. Los álabes están fabricados en forma recta.
La válvula rotativa ha sido diseñada con el criterio de máxima versatilidad de aplicación. Es adecuada para la alimentación controlada o descarga de material en polvo o granulado proveniente de silos, tolvas, sistemas de transporte neumático, colectores de polvo o ciclones.
| 1 | Cuerpo válvula |
| 2 | Rotor |
| 3 | Árbol |
| 4 | Cubierta |
| 5 | Reductor |
| 6 | Motor |
| RPM | 30 |
| Motor | 1 HP 460V 60 Hz |
| Rotor | Acero Inoxidable AISI 316 grado alimenticio |
| Cuerpo | Acero Inoxidable AISI 316 grado alimenticio |
| Acabado | RAL 7001 |
| Alveolos | Rectos |
| Capacidad | 5.4 l por RPM |
| Boca de entrada | 200 x 200 mm |
| Capacidad máxima | hasta 10 m³/h |
| Diámetro del rotor | 240 mm |
| Número de alveolos | 8 |
| Temperatura de trabajo | -20ºC a 60ºC |
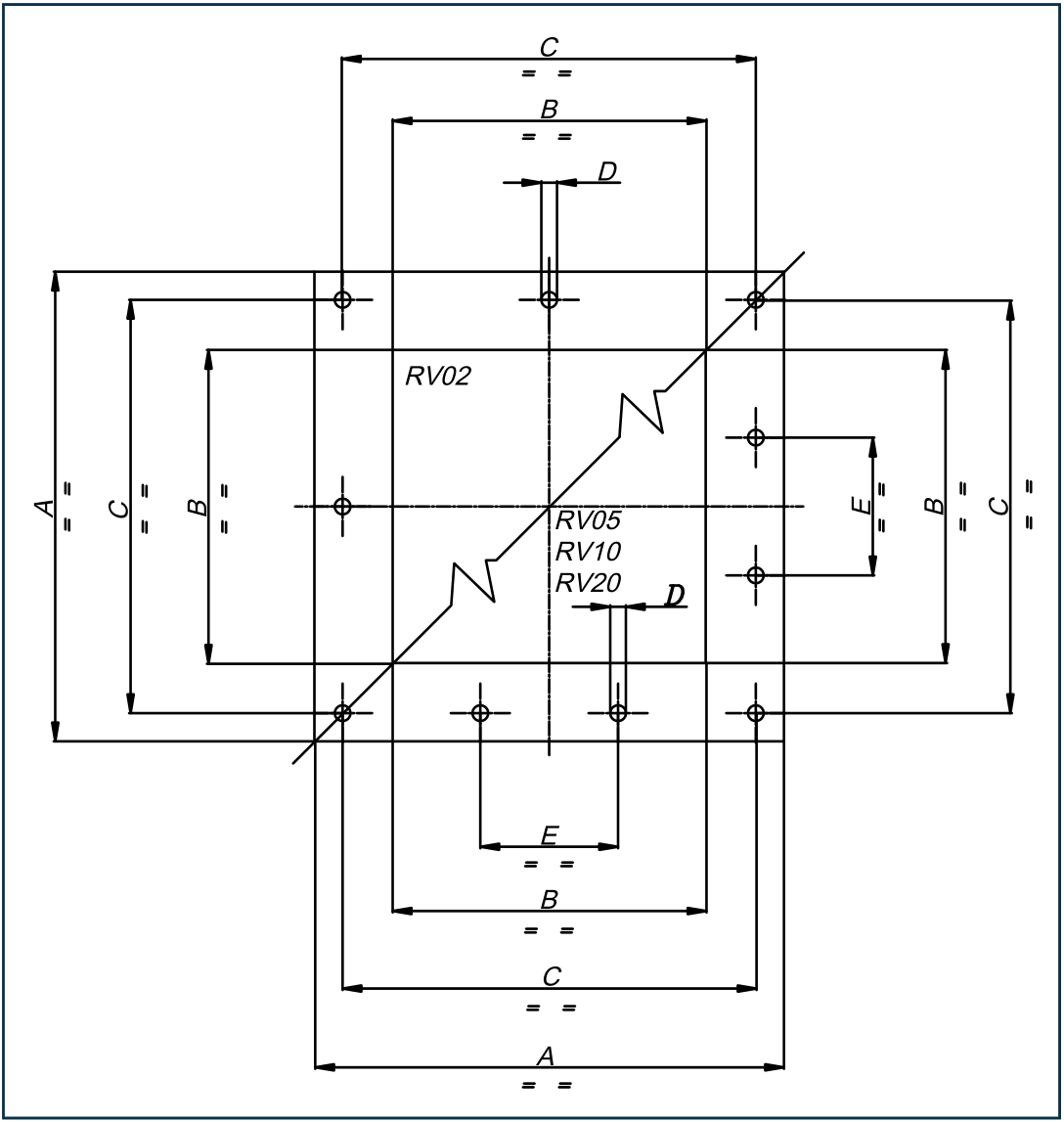
| D | 330 mm |
| F | 400 mm |
| H (RV) | 300 mm |
| H (RVR) | 320 mm |
| A | 320 mm |
| B | 200 mm |
| C | 280 mm |
| D | 12.5 mm |
Válvula rotativa fabricada en fundición de acero especial para material granular con variador de RPMs mecánico.
Válvula rotativa fabricada acero inoxidable AISI 316, con variador mecánico de RPM, sensor de rotación y sellos purgados.
Válvula rotativa fabricada en inox 304 para un caudal de hasta 20 m3/h. Cuenta con sellos purgados y sensor de rotación
Válvula rotativa fabricada acero inoxidable AISI 304, con variador mecánico de RPM, sensor de rotación y sellos purgados.