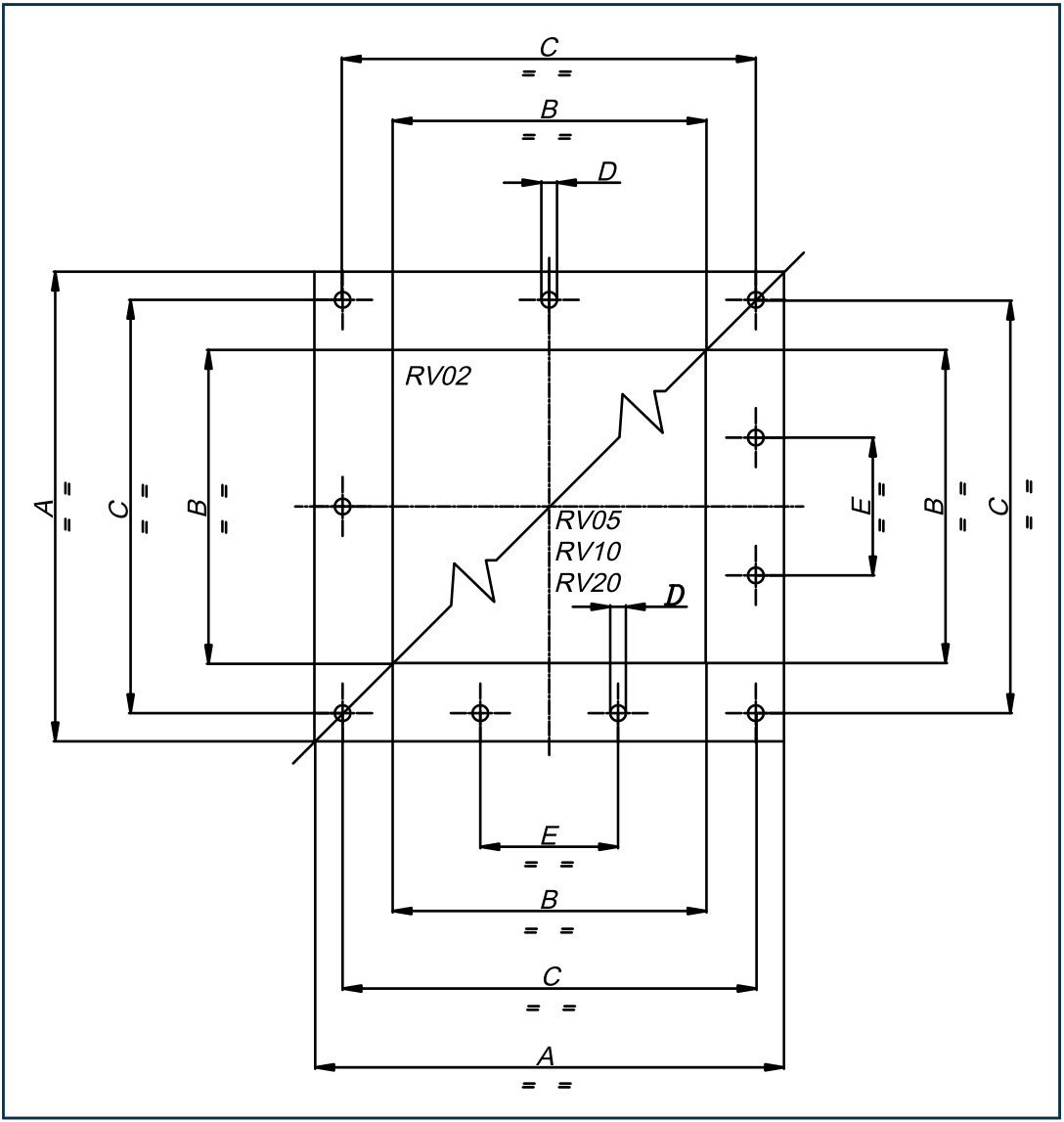
Válvula rotativa de 200 x 200 mm con variador de RPM
Válvula rotativa fabricada en fundición de acero especial para material granular con variador de RPMs mecánico.
Vista general del producto
SKU: VLR0006
Válvula rotativa fabricada en inox 304 para un caudal de hasta 20 m3/h. Cuenta con sellos purgados y sensor de rotación
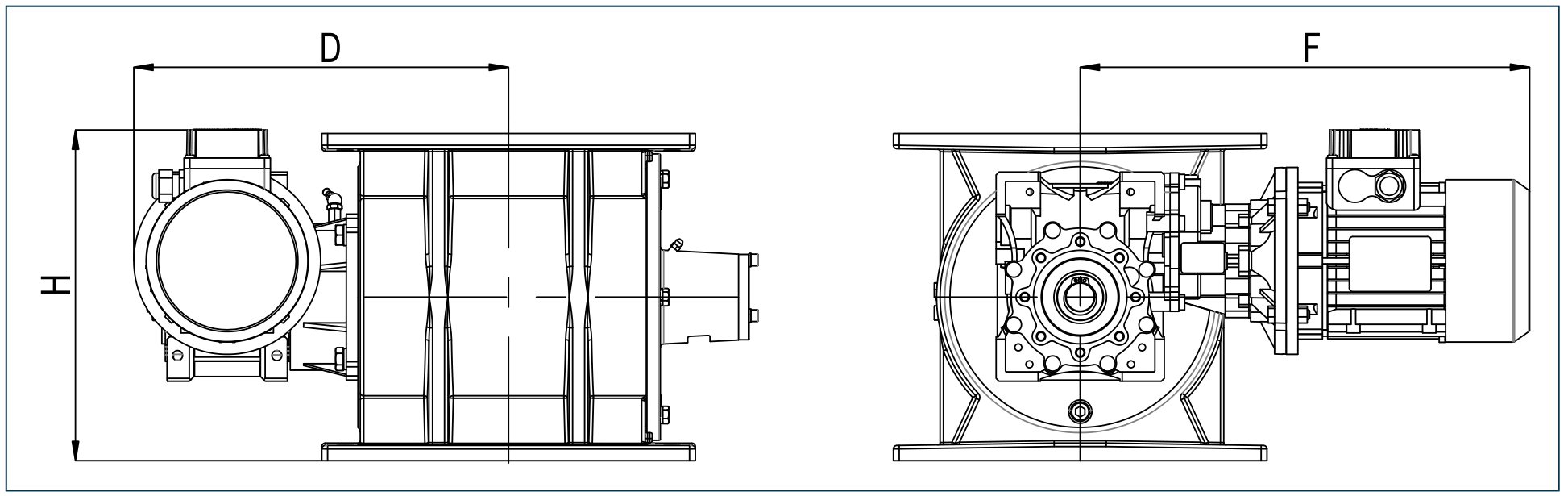
La válvula consiste en una carcasa de acero inoxidable 304 y un motorreductor. Los álabes están fabricados en forma recta.
La válvula rotativa ha sido diseñada con el criterio de máxima versatilidad de aplicación. Es adecuada para la alimentación controlada o descarga de material en polvo o granulado proveniente de silos, tolvas, sistemas de transporte neumático, colectores de polvo o ciclones.
Válvula rotativa fabricada en fundición de acero especial para material granular con variador de RPMs mecánico.
Válvula rotativa 2l en inox 304 grado alimenticio
Válvula rotativa fabricada en hierro fundido para un caudal de hasta 35.1 m³/h. Cuenta con sellos purgados con aire.
Válvula rotativa de 200 x 200 mm con revestimiento interior en cromo, especial para aplicaciones de alta abrasión. Capacidad de 5.4 litros por revolución a 30 RPM.